Colin MK I

Early developments

System developments
After a few months of writing small assembly language programs in HEX and saving them to cassette, I got somewhat bored and wanted to progress to some real programs. Hand coding wasn't a problem, as that was how I wrote short diagnostic programs for the process control computers I worked on, but I wanted more!!

Having decided I knew enough to start designing my own parts for the computer, the most obvious expansion was going to be memory.


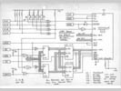
The first card I designed and built was a 128kB dynamic RAM card.

Following on from my runaway success with designing and building the 128K DRAM card, I followed up with these designs:

  • Dual channel RS232 card
  • Stereo sound card with speech synthesis
  • 64k static RAM card

More photos of Colin MK I
Below are a few pictures of the updates to Colin MK I, including some of my original design drawings.

All of the new cards I designed were built on Veroboard with wire wrap sockets. All hand wired by me!

Viewing the gallery
To see all the photos, you can either use the left or right arrows on the main picture, or scroll through the thumbnail gallery to select a picture of interest.